Inwestycyjna kamienica w doskonałej lokalizacji

Gdynia , Przebendowskich

Lokal
578 m2
18 pokoi

5 990 000 zł

Treść ogłoszenia

Nowoczesna kamienica usługowo-mieszkaniowa w doskonałej lokalizacji w Gdyni-Dolne Orłowo. Świetna inwestycja pod najem krótkoterminowy, a także na lokale handlowo-usługowe lub pod siedzibę firmy.

obejrzyj FILM:
(jeśli nie widzisz filmu skontaktuj się z pośrednikiem)

LOKALIZACJA
Budynek położony przy ul. Przebendowskich, Gdynia - Dolne Orłowo, znajduje się pomiędzy główną arterią komunikacyjną Trójmiasta (ul. Zwycięstwa w obszarze Gdyni) oraz główną magistralą kolejową Trójmiasta i SKM, niecałe 800 m od linii brzegowej morza, niecały kilometr do parku w Kolibkach z wieżą widokową i zachowanym zespołem pałacowym.
Orłowo jest nadmorską, południową dzielnicą Gdyni. Do głównych atrakcji Orłowa należy spacerowe molo i okolice klifu, umożliwiające spacery i wycieczki widokowe. Dzielnica charakteryzuje się atrakcyjną lokalizacją z uwagi na swoją bliskość zarówno Zatoki Gdańskiej, jak i centrum Gdyni oraz Sopotu. Przeważa tu budownictwo jednorodzinne, zabudowa wolnostojąca.
W sąsiedztwie nieruchomości znajdują się działki zabudowane kamienicami podobnego typu lub też domami wolnostojącymi, z których część została zmodernizowana. Natomiast po drugiej stronie ulicy Przebendowskich znajduje się Centrum Handlowe Klif, od wielu lat cieszące się bardzo dużym zainteresowaniem ze strony mieszkańców całego Trójmiasta. Tuż obok popularna restauracja Hashi Sushi.

BUDYNEK
Budynek (kamienica) o funkcji mieszkalno-usługowej o pow. użytkowej 578,9 m² zabudowany jest na działce o powierzchni 572 m². Jest to budynek w całości podpiwniczony, wolnostojący, posiadający 4 kondygnacje nadziemne oraz jedna podziemną. Budynek wykonany w technologii tradycyjnej, z cegły pełnej. Dach płaski. W 2005 r. w budynku zmodernizowano elewacje, w 2019 wnętrze przeszło gruntowny remont. Budynek nie jest zabytkiem. Teren nie jest objęty MPZP.
Część piwniczna posiada powierzchnię użytkową 114,9 m² – w skład lokalu wchodzą m.in.: 4 pomieszczenia gospodarcze (sale sprzedaży) oraz pomieszczenia komunikacji.
Pozostałe 4 kondygnacje posiadają powierzchnię użytkową 116,0 m² każda. Na każdym piętrze znajdują się dwa niezależne lokale.

LOKALE
W części piwnicznej znajdują się m.in. 4 pomieszczania gospodarcze, która łatwo można zaadaptować na magazyn lub salę sprzedażową.
Na parterze znajdują się dwa oddzielne lokale: obecnie to handlowo-usługowy (sklep z firankami) i medyczny (gabinety lekarskie).
Na każdym kolejnym piętrze (I, II i III) znajdują się dwa niezależne lokale mieszkalne. Obecnie są one wynajmowane turystom.

Rozkład i metraż:
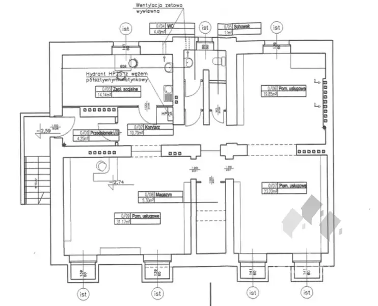
Piwnica z oddzielnym wejściem z zewnątrz budynku:
- przedsionek 4,25 m²
- korytarz 10,70 m²
- zaplecze socjalne 14,14 m²
- wc 4,49 m²
- schowek 1,1 m²
- pom. usługowe 19,58 m²
- pom. usługowe 23,22 m²
- magazyn 5,30 m²
- pom. usługowe 31,17 m²

Parter:
- korytarz 11,48 m²
- klatka schodowa 4,20 m²
Lokal 1 (57,55 m²):
- hall 6,06 m1
- zaplecze socjalne 15,27 m²
- wc 4,78 m²
- pom. usługowe 31,44 m²
Lokal 2 (47,93 m²):
- hall 5,36 m²
- pom. usługowe 24,91 m²
- wc 4,66 m²
- pom. usługowe 13 m²

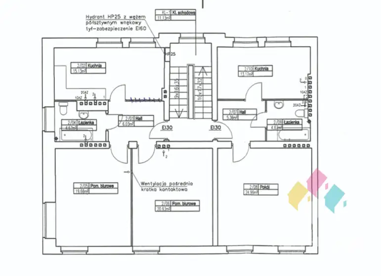
I piętro:
- klatka schodowa 11,13 m²
Lokal 1 (66,42 m²):
- przedpokój 6,03 m²
- kuchnia 15,13 m²
- łazienka 4,67 m²
- pokój 19,66 m²
- pokój 20,93 m²
Lokal 2 (48,16 m²):
- przedpokój 5,36 m²
- pokój 24,96 m²
- łazienka 4,67 m²
- kuchnia 13,17 m²

II piętro
- klatka schodowa 11,13 m²
Lokal 1 (66,42 m²):
- przedpokój 6,03 m²
- kuchnia 15,13 m²
- łazienka 4,67 m²
- pokój 19,66 m²
- pokój 20,93 m²
Lokal 2 (48,16 m²):
- przedpokój 5,36 m²
- pokój 24,96 m²
- łazienka 4,67 m²
- kuchnia 13,17 m²

III piętro
- klatka schodowa 11,13 m²
Lokal 1 (69,43 m²):
- przedpokój 5,31 m²
- pokój 14,11 m²
- łazienka 8,66 m²
- pokój 41.35 m²
- zadaszony balkon
Lokal 2 (46,56 m²):
- przedpokój 5,12 m²
- pokój 13,83 m²
- łazienka 4,29 m²
- kuchnia 23,22 m²

Stan techniczny wszystkich lokali bardzo dobry. Pomieszczenia są funkcjonalne i dobrze wyposażone, widne.
W łazienkach płytki i terakota; umywalki, wc, prysznice (w jednej wanna). W aneksach kuchennych lodówki, umywalki, płyty indukcyjne z okapem. W pokojach kanapy, stoły, szafy, szafki, łóżka. Na podłogach w zależności od pomieszczenia: płytki, panele, parkiet, wykładzina. Ściany malowane, w części pomieszczeń odkryta cegła.
Ogrzewanie gazowa, woda miejska, ciepła woda ogrzewana gazem.
Zadbana klatka schodowa, domofon. Podjazd do wejścia budynku dla osób na wózku. Z tyłu budynku parking dla mieszkańców. Możliwość umieszczenia szyldu na budynku.

Budynek daje wiele możliwości aranżacyjnych. Można potraktować go inwestycyjnie pod wynajem lokali handlowych, usługowych, biurowych. Z uwagi na lokalizację idealnie nadaje się pod najem krótkoterminowy. Miejsce będzie też świetnie nadawało się na mieszkania - obecność stacji SMK i ul. Zwycięstwa gwarantuje wygodę poruszania się po Trójmieście.

STAN PRAWNY/OPŁATY/DOSTĘPNOŚĆ
Pełna własność z KW, brak obciążeń.
Opłaty:
za cały budynek: podatki od nieruchomości ok. 2400 zł/rok; wywóz śmieci ok. 500 zł/mc; woda ok. 400 zł
za lokal: prąd i gaz od ok. 450-600 zł/mc w zależności od wielkości lokalu

POŚREDNIK:
Łukasz Wróbel, tel. 664031061
E-mail: [Email protected]
Licencja pośrednika nr 31498.

Przedstawiona oferta cenowa ma charakter informacyjny, nie stanowi oferty handlowej w rozumieniu art.66 § 1 Kodeksu Cywilnego.



Właścicielem ogłoszenia wraz z jej elementami jest NewHouse Łukasz Wróbel oraz podmioty współpracujące.
Wszelkie prawa są zastrzeżone, kopiowanie, rozpowszechnianie oraz korzystanie z niniejszych składowych materiałów ogłoszenia w jakikolwiek inny sposób wykraczający poza dozwolony użytek określony przepisami ustawy z 4 lutego 1994 r. o prawie autorskim i prawach pokrewnych (Dz. U. 1994, nr 24 poz. 83 z późn. zm.) bez zgody NewHouse Łukasz Wróbel lub podmiotów współpracujących jest zabronione i może stanowić podstawę odpowiedzialności cywilnej oraz karnej.
Niniejsze materiały stanowią tajemnicę firmy NewHouse Łukasz Wróbel lub podmiotów współpracujących w rozumieniu ustawy z dnia 16 kwietnia 1993 r. o zwalczaniu nieuczciwej konkurencji (Dz. U. z 2003 r., Nr 153, poz. 1503 z późn. zm.).
Niniejsze ogłoszenie nie stanowi oferty w rozumieniu Kodeksu Cywilnego, lecz ma charakter informacyjny.

Ogłoszenie wysłane z programu dla biur nieruchomości ASARI CRM (asaricrm.com)



Lokalizacja
Gdynia
dzielnica Orłowo
pomorskie
Informacje
Powierzchnia: 578 m2
18 pokoje
4 piętra w budynku
Rok budowy: 1936
Numer oferty: 553/6682/OOS
Ogrzewanie
CO gazowe
Kontakt
NewHouse Łukasz Wróbel
Łukasz Wróbel
664031061

Podobne oferty

 Gdynia   Kadłubowców

Obiekt

Gdynia, Kadłubowców

Pomorska Specjalna Strefa Ekonomiczna oferuje atrakcyjne nieruchomości położone w Gdyni blisko portu morskiego i centrum miasta. Nieruchomości mogą być przeznaczone...

978 m2
23 pokoi
5 900 000 zł
6 033 zł/m2
 Gdynia   Gryfa Pomorskiego

Warsztat

Gdynia, Gryfa Pomorskiego

Przetarg ustny nieograniczony na sprzedaż nieruchomości zabudowanej stanowiącej współwłasność Skarbu Państwa - Prezydenta Miasta Gdyni i Województwa Pomorskiego (szczegóły w...

1279 m2
6 368 000 zł
4 979 zł/m2
 Gdynia   Pomorska

Warsztat

Gdynia, Pomorska

Przetarg ustny nieograniczony na sprzedaż nieruchomości zabudowanej stanowiącej współwłasność Skarbu Państwa - Prezydenta Miasta Gdyni i Województwa Pomorskiego (informacje na...

1279 m2
6 368 000 zł
4 979 zł/m2